PIC開発基板 (カラー画像表示対応セレクター)
PIC開発基板(自作)を使ったFDDエミュレータ用イメージファイルセレクターです。
※表示画像はサンプルです。(「Humna68k」「イース」広告より)
FDDエミュレータ使用時の使用体験向上を目的に作成してみました。
参考「FDDエミュレータ 体験向上アイテム作成(ファイルセレクター(FDIS))」
HxC SD仕様、GOTEK(HxC仕様、FF仕様)での使用を想定し、USBメモリまたはSDカード内のFDDエミュレータ用イメージファイル(HFE形式)を選んで設定ファイルに書き出します。
カラー画像の表示が可能なのでパッケージ画像を用意しておけば実際のソフト選びに近いと思います。
特に HxC SD FDDエミュレータでは2ドライブ設定が可能ですが、FDDエミュレータ上での設定は切り替えなど操作が面倒です。セレクターではAドライブとBドライブでボタンを分けてあることもあり設定が容易です。
同一フォルダ内の拡張子を除いたファイル名に一致する24bitカラービットマップ形式(拡張子"bmp")の128x88サイズが表示可能です。
※サイズチェックしていないため縦サイズは大きくても表示されないだけですがその分時間がかかります。
動画(twitter投稿)
「カラー画像表示対応セレクター(FDIS)」(PIC開発基板)のデモ動画。FDDエミュレータHxCの2ドライブ設定時には特に便利だと思います。
— @tomo_retro (@tomo_retro) September 1, 2019
画像は @nihonfalcom の「おはよう」つぶやきのものを使用したサンプル表示です。 pic.twitter.com/m7pklskBVA
FDDエミュレータの最後に使用していたファイルの自動挿入機能を使用していますので設定が必要です。
HxC の設定
“HxC Floppy Emulator software”を起動、[SD HxC Floppy Emulator settings]画面で”Load last loaded floppy”をチェックして[Save config file]でSDカードまたはUSBメモリに設定ファイル(HXCSDFE.CFG)を保存する。
Flash Floppy の設定
設定ファイル(FF.CFG)の”ejected-on-startup = no””image-on-startup = last”を設定する。
ブートローダ
・PIC24FJ64GB002_BOOTLOADER_LCD Google Drive
※PICkit3 等の機器が必要です。
アプリ
・pic24_fddemu_usb_lcd Google Drive
2019/07/09 v2公開(更新内容は説明画像参照)
アプリ更新方法
ブートローダを使用したアプリの更新です。通常はPICkit3 等の機器が必要です。
1.電池およびmicroUSBの電源ケーブルは全て外します。
2.スライドスイッチを”USB”側にします。
3.USBケーブルをUSB端子に接続します。
4.”BOOTLOADER”のプッシュスイッチを押したままUSBケーブルをPCに接続します。
5.”HDBootLoader.exe”を起動、[Open Hex File]で更新用ファイル(hex)を選択し[Program/Verify]で実行します。
※カスタマイズ内容や誤った更新方法によっては意図せずブートローダが起動できなくなる可能性があります。ブートローダが起動しなくなった場合はPIC専用の書き換え機器(PICkit3等)が必要になります。多少値ははりますがカスタマイズ等行う場合にはあると便利です。
その他
ピンの仕様が合えばTFTは大きいものに交換が可能です。ただ画像が大きくなればそれだけ表示に時間が掛かります。※下の画像はサイズ調整していない状態での表示
開発基板の配布
PIC開発基板はBOOTHにて配布します。BOOTH購入者限定としてプロジェクト(ソース)一式をダウンロードできるようにしますのでカスタマイズ(要プログラミング知識)も可能です。
※ソースは汚いのですがご容赦願います。
・BOOTH レトロなPCとか https://tomoretro.booth.pm/
アプリ公開について
変更したアプリのバイナリファイルは自由に公開、配信していただいて構いません。
ソース(プロジェクト)については現在BOOTH購入者限定としていますので作成したアプリのソース公開を希望される方はメール等で送付して貰えればBOOTHにてダウンロードできるようにしたいと思っています。
強制力はないと思いますがご協力お願い致します。
アプリ使用ソース等について
アプリの開発には主に以下の方々のソースなどを使用・参考にさせて頂いてます。
・Microchip Libraries https://www.microchip.com/mplab/microchip-libraries-for-applications
・マイコンな日曜 http://mycom1.cocolog-nifty.com/blog/
(“カテゴリー” –> “PIC24FJ64GB002” –> “ブートローダ (256GB106と64GB002)”)
・えるむ by ChaN http://elm-chan.org/index_j.html
(“おまけのソフトウェア” –> “FatFsモジュール [en]” –> “FatFs – Generic FAT Filesystem Module”)
・ToughDev http://www.toughdev.com/content/
(“Experimenting with ST7735 1.8-inch 128×160 color LCD on a PIC microcontroller” –> “pic24f_hobby2.zip”)
・raster-fonts https://github.com/idispatch/raster-fonts
・E-Fellows http://www.zeatec.jp/efellows/susume/tyuukyuu1-8.php
その他、多くのサイトを参考にさせて貰っています。ありがとうございます。
※無保証です。
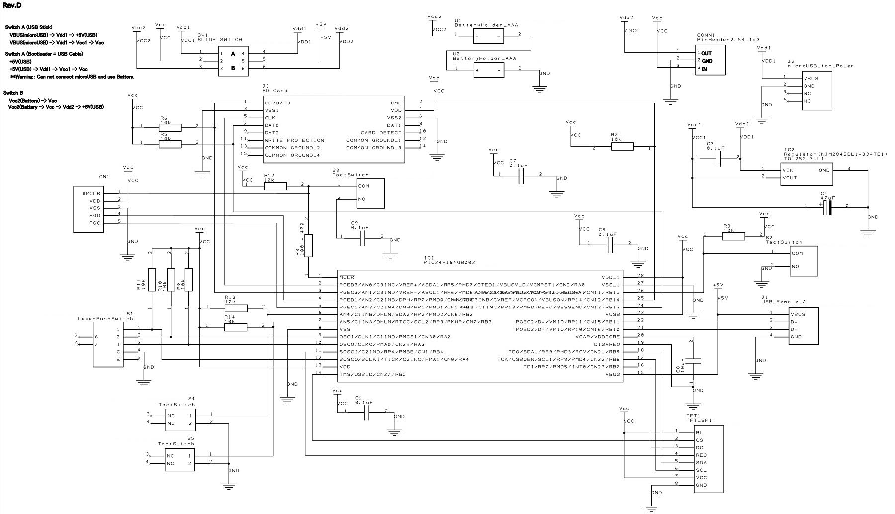
※仕様書などを参考に回路図など作成していますが何か改善点等ありましたら教えてもらえると助かります。
コメント
コメントを投稿